維東公司本著“質量第一,信譽第一,用戶至上”的宗旨,對所供產品實行質量承諾制。我們承諾以優質的產品和優良的服務為我國潤滑行業的發展貢獻一份力量!


| 2.2L油桶 | 3.0L油桶 | 6L油桶 | 2.2L油桶 | 3.0L油桶 | 6L油桶 | |
|---|---|---|---|---|---|---|
| 配壓油板或 低油位指示器 |
配壓油板或 低油位指示器 |
配壓油板或 低油位指示器 |
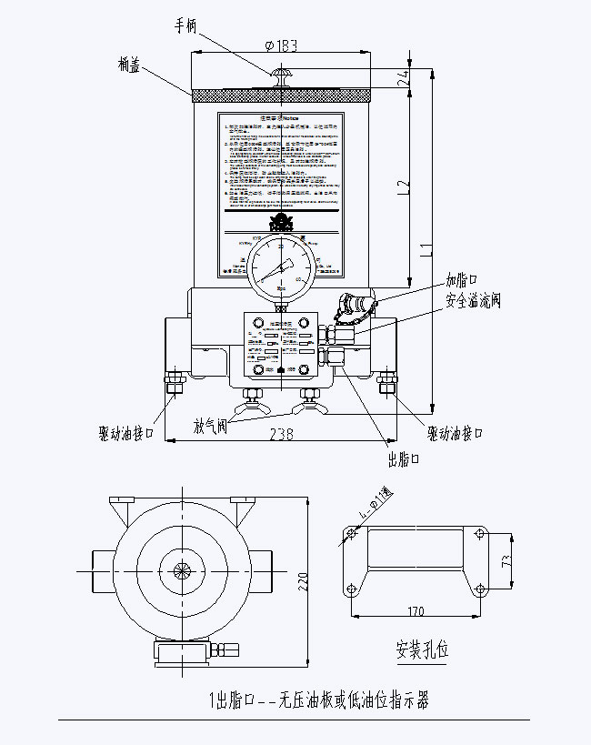
無壓油板或 低油位指示器 |
無壓油板或 低油位指示器 |
無壓油板或 低油位指示器 |
|
| L1 | 265 | 345 | 465 | 260 | 340 | 460 |
| L2 | 115 | 195 | 315 | 115 | 195 | 315 |
| 型號 | *KYR-*/*/**** | |||
|---|---|---|---|---|
| 公稱壓力 | MPa | 15~25 | ||
| 最佳驅動油壓 | MPa | 15~25 | ||
| 最大驅動油 壓 | MPa | 31.5 | ||
| 排量 | ml/cy | 0.15、0.20 | 0.25、0.30 | |
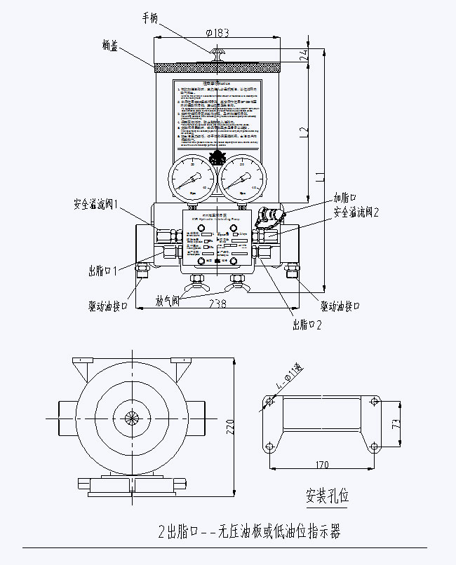
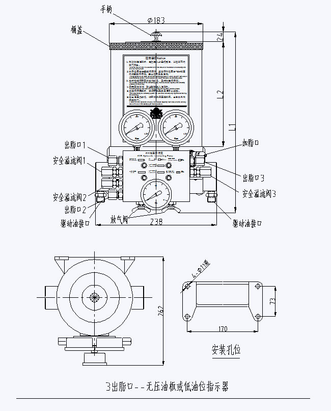
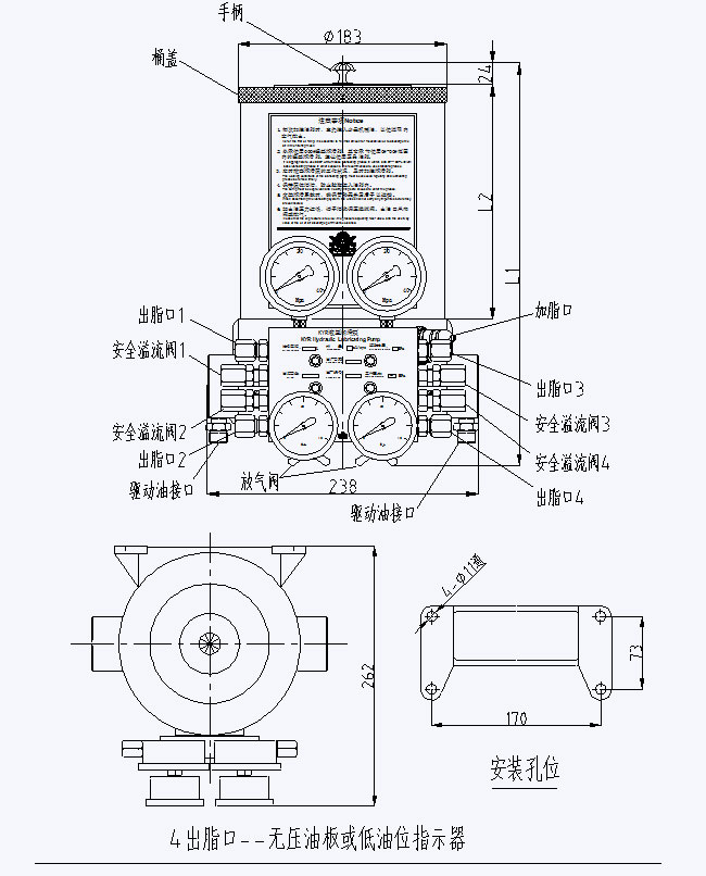
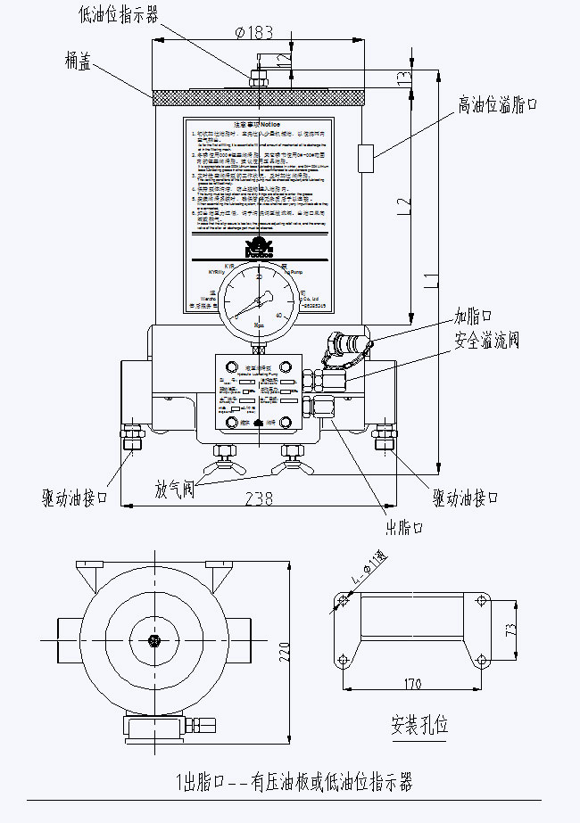
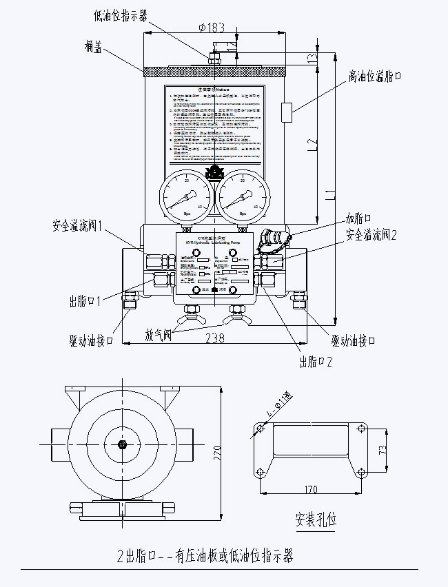
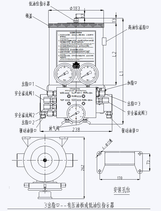
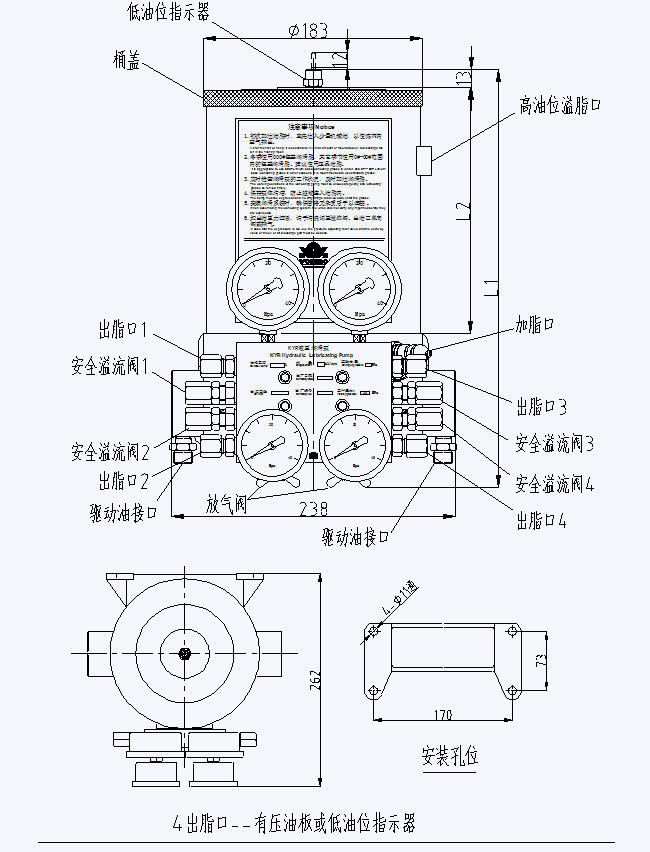
| 出脂口數 | PCS | 1~4 | ||
| 安全閥溢流壓力 | MPa | 20 | ||
| 油桶容積 | L | 2.2 | 3 | 6 |
| 標配驅動口 | mm | M16X1.5(內錐24°) | ||
| 適用介質 | 鋰基脂 | 000#~2# | ||
| 備注 | 驅動口定制時將其型號備注型號后 | |||







